Accurately tracking how plastic biodegrades

Electron microscopy image of the surface of a PBS film following incubation in a
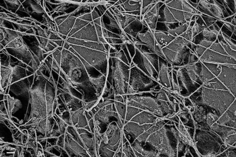
Electron microscopy image of the surface of a PBS film following incubation in a soil for six weeks: The surface of the PBS shows clear sign of degradation by colonising fungal hyphae and bacteria.
Electron microscopy image of the surface of a PBS film following incubation in a soil for six weeks: The surface of the PBS shows clear sign of degradation by colonising fungal hyphae and bacteria. Researchers at ETH Zurich have developed an approach to accurately record and fully track the biodegradation of plastics in soils. Modern agriculture uses a lot of plastic, especially in the form of mulch film that farmers use to cover field soils. This keeps the soils moist for crops, suppresses weeds and promotes crop growth. However, it is usually very time-consuming and costly for farmers to collect and dispose of conventional polyethylene (PE) film after use. In addition, it isn't possible to re-collect all of the thin PE films, as they tear easily. This means PE-pieces remain on and in the soil and accumulate there, because PE doesn't degrade.
account creation

TO READ THIS ARTICLE, CREATE YOUR ACCOUNT

And extend your reading, free of charge and with no commitment.



Your Benefits

  • Access to all content
  • Receive newsmails for news and jobs
  • Post ads

myScience